Hopp til hovedinnhold
Agat+ fabryka okien i drzwi

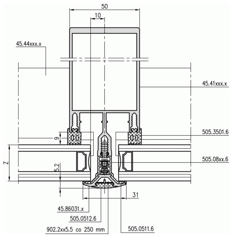
Fasada FA 50 wariant HL – przekrój przez słup fasadowy

Fasada FA 50 wariant HL – przekrój przez poprzeczkę fasadową